產品分類
PRODUCT CENTER產品規格更多
| 產品 | 規格 |
|---|---|
| 二波板 | 4320*310*85*3/4 |
| 三波板 | 4320*506*85*3/4 |
| 圓立柱 | 直徑140/114*4.5 |
| 方立柱 | 130*130*6*2540 |
| 防阻塊 | 196*178*200*3/4.5 |
| 托 架 | 70*300*4/4.5 |
| 柱 帽 | 140/114適配 |
| 螺 栓 | M16*35/45/170 |
| 方墊片 | 76*44*4 |
| 單端頭 | R160*3/4 |
點擊數:2572025-09-05 15:32:34 來源: 波形護欄|護欄板價格|高速護欄板廠家-冠縣華安交通
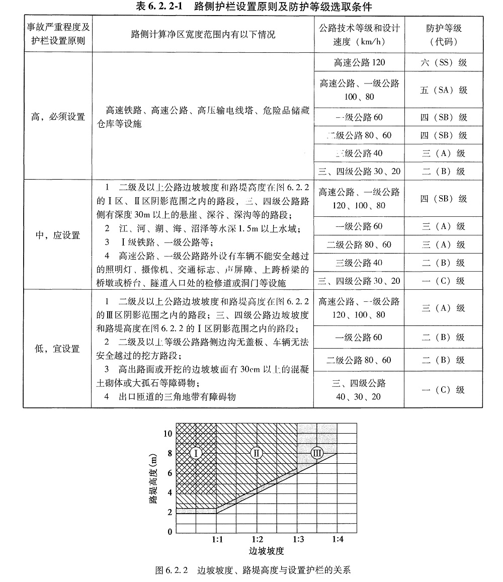
路側護欄的設置及防護等級的選取應符合下列規定:
(以下內容標準截取自——公路交通安全設施設計細則(JTGTD81-2017)
1、按照現行《公路交通安全設施設計規范》(JTG D81)的規定,事故嚴重程度可分為三個等級:高、中、低,應按表 6. 2. 2-1 的規定設置路側護欄并選取路側護欄的防護等級。
2、存在下列情況時,導致事故發生可能性增加或后果更嚴重的路段,路側護欄的防護等級宜在表 6. 2. 2-1 的基礎上提高 個等級。
1)二級及以上公路縱坡等于或接近于現行《公路工程技術標準》 (JTG BOl )規定的最大縱坡值的下坡路段;二級及以上公路圓曲線半徑等于或接近現行《公路工程技術標準》 (JTG BOl )規定的最小半徑的路段外側。
2)設計交通量中,總質量大于或等于 25t 的車輛自然數占比例大于 20% 時。
3)年平均日設計交通量 (AADT)小于 000 輛小客車且設計速度小于或等于60km/h 的公路,宜進行交通安全及經濟綜合分析確定是否設置護欄及護欄的防護等級。需要設置護欄時,其防護等級可在表 6.2.2 的基礎上降低 個等級,但不得低于一(C)級。年平均日設計交通量(AADT)小于 400 輛小客車的單車道四級公路,宜采取誘導和警示的措施。

